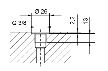
Filetage de tuyauterie ISO 228 Partie 1 - G3/8 pour raccord fileté selon DIN 3852 Partie 2, Forme A (avec joint d'étanchéité selon DIN 3869) ou Forme B (avec arête d'étanchéité)
Ne pas utiliser les produits d'étanchéité.