Pour la commande d'un Ratio-Clamp®, il faut d'abord le desserrer par alimentation du raccord de déverrouillage. Ce n'est qu'après que la tige peut bouger.
Lorsqu'un bloqueur de tige est utilisé conjointement avec un vérin hydraulique, ceci demande une commande séquentielle hydraulique:
D'abord la pression de déverrouillage est générée ; ensuite, le vérin est alimenté. Des vannes adaptées mettent en place la pression dans le vérin, de manière que même en présence de charges verticales, Ratio-Clamp® peut être déverrouillé quasiment sans à-coups.
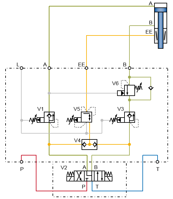
Installé entre le distributeur V2, le bloquer de tige et le vérin hydraulique, le bloc de commande assure une commande logique et fonctionnellement correcte et réduit ainsi au minimum l'effort de circuit pour l'utilisateur.
Le type du bloc de commande de base : adapté à une position de montage horizontale du bloquer de tige, utilisation jusqu'à 160 bars.
Le type du bloc de commande universel : adapté à une position de montage horizontale et verticale du bloquer de tige, utilisation jusqu'à 300 bars.
Fonctions intégrées
Procédure de suivi
Lors de l'utilisation d' un bloquer de tige Ratio-Clamp® avec un vérin hydraulique, le un bloquer de tige doit d'abord être déverrouillé en appliquant une pression sur le raccord de déverrouillage EE, ensuite seulement le mouvement de la tige peut avoir lieu en appliquant la pression appropriée sur les surfaces effectives du vérin via les raccordement A ou B.
Si la pression dans les conduites de raccordement A ou B au vérin hydraulique chute, par exemple en commutant un distributeur après avoir atteint une certaine position, le raccord de déverrouillage EE chute également et le bloquer de tige Ratio-Clamp® est à nouveau verrouillée.
Cette procédure est automatique tant dans le type de base que dans le type universel lors de l'utilisation d'un bloc de commande. La valve navette V4 contrôle la pression de détente de l'unité de fermeture et ce n'est que lorsque la pression est établie ici que les valves de séquence de pression respectives V1 ou V3 pressurisent les chambres correspondantes du vérin.
Maintien de la charge
Lorsqu'il est installé verticalement, la charge sur le vérin est prise en charge par le bloquer de tige. Le chargement est sécurisé.
Dans la chambre du vérin à l'orifice B, la pression de maintien correspondant à la charge est verrouillée par la soupape de freinage de descente V6.
Lors du redémarrage après le serrage, c'est-à-dire lors du déverrouillage, cette pression de maintien prend le relais de la charge jusqu'à ce que la pression d'ouverture de la soupape soit atteinte et que le cylindre se déplace. Cela permet un redémarrage presque sans à-coups.
Cette fonction est implémentée que dans le type universel.
Réduction de la pression
Dans la version universelle 300 bar, le réducteur de pression V5 limite la pression de déverrouillage à 160 bar. Il s'agit de la pression de déverrouillage maximale autorisée d'un bloquer de tige Ratio-Clamp®.
Cette fonction est particulièrement nécessaire si le verin doit fonctionner à une pression plus élevée.
Veuillez noter que le bloquer de tige ne peut être chargée que jusqu'à la force de retenue maximale autorisée.
Cette fonction est implémentée que dans le type universel.
			| A | 
raccord sortir la tige | V1, V3 | valves de séquence de pression | 
| B | raccord rentrer la tige | V2 | distributeur | 
| EE | raccord de déverrouillage | V4 | valve navette | 
| L | raccord de fuite | V5 | réducteur de pression pmax = 160 bar | 
| P, T | raccord pression, réservoir | V6 | soupape de frein de descente | 
Même en cas d'utilisation d'un bloquer de tige sans vérin, il faut noter que le bloquer de tige doit d'abord être déverrouillée complètement avant que la tige ne se déplace.
Lorsqu'elle est utilisée pour des niveaux de performance élevés, la soupape de frein de descente V6 peut également être conçue avec un retour d'information.
Données techniques
Pression maximale pmax = 300 bar 
Débit volumétrique Vmax = 45 l/min 
Température du fluide -20 °C bis 80 °C
Joints en NBR 
Huile minérale VG 20 à 68 HLP, HLPD selon DIN 51524, pureté 19/17/14 selon ISO 4406